設計標準:API 609-83
法蘭連接寸尺:JIS B2212 JIS B2213 HUS B2214
結構長度:JIS B2002-1987
壓力試驗:JIS B2003-1987
手柄、蝸輪、氣動、電動等
公稱通徑 | DN(mm) | 830W | 830L |
2″~36″ | |||
公稱壓力 | PN(MPa) | 10K | 20K |
試驗壓力Ps(MPa) | 強度試驗 | 1.5 | 3.0 |
密封試驗 | 1.1 | 2.2 | |
適用介質 | 水、蒸汽、油品、海水等 | ||
試驗溫度 | -29~425℃ |
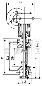
公稱通徑 DN |
結構長度 (標準值) |
外形尺寸(參考值) | 連接尺寸(標準值) | |||||||||||||
H | D373H | D673H | D973H | 10K | 20K | |||||||||||
inch | mm | L | H1 | A1 | B1 | H2 | A2 | B2 | H3 | A3 | B3 | D1 | Z-d | D1 | Z-d | |
2″ | 50 | 43 | 112 | 350 | 180 | 200 | 625 | 245 | 72 | 530 | 250 | 255 | 120 | 4-19 | 120 | 8-19 |
2-1/2″ | 65 | 46 | 115 | 370 | 180 | 200 | 625 | 245 | 72 | 530 | 250 | 255 | 140 | 4-19 | 140 | 8-19 |
3″ | 80 | 49 | 120 | 380 | 180 | 200 | 645 | 245 | 72 | 565 | 250 | 255 | 150 | 8-19 | 160 | 8-23 |
4″ | 100 | 56 | 138 | 420 | 180 | 200 | 675 | 355 | 92 | 600 | 250 | 255 | 175 | 8-19 | 185 | 8-23 |
5″ | 125 | 64 | 164 | 460 | 180 | 200 | 715 | 355 | 92 | 640 | 250 | 255 | 210 | 8-23 | 225 | 8-25 |
6″ | 150 | 70 | 175 | 555 | 270 | 280 | 800 | 355 | 92 | 705 | 300 | 315 | 240 | 8-23 | 260 | 12-25 |
8″ | 200 | 70 | 208 | 605 | 270 | 280 | 850 | 250 | 170 | 775 | 300 | 315 | 290 | 12-23 | 305 | 12-25 |
10″ | 250 | 76 | 243 | 680 | 270 | 280 | 925 | 250 | 170 | 945 | 300 | 315 | 355 | 12-25 | 380 | 12-27 |
12″ | 300 | 83 | 283 | 800 | 380 | 420 | 1035 | 450 | 220 | 1070 | 300 | 315 | 400 | 16-25 | 430 | 16-27 |
14″ | 350 | 92 | 310 | 835 | 380 | 420 | 1070 | 450 | 220 | 1140 | 300 | 315 | 445 | 16-25 | 480 | 16-33 |
16″ | 400 | 102 | 340 | 915 | 450 | 470 | 1190 | 450 | 220 | 1210 | 300 | 315 | 510 | 16-27 | 540 | 16-33 |
18″ | 450 | 114 | 380 | 960 | 480 | 490 | 1250 | 650 | 280 | 1335 | 575 | 714 | 565 | 20-27 | 605 | 20-33 |
20″ | 500 | 127 | 410 | 1020 | 480 | 490 | 1290 | 650 | 280 | 1415 | 575 | 714 | 620 | 20-27 | 660 | 20-33 |
24″ | 600 | 154 | 470 | 1225 | 480 | 490 | 1455 | 850 | 380 | 1605 | 656 | 810 | 730 | 24-33 | 770 | 24-39 |
28″ | 700 | 165 | 550 | 1355 | 640 | 660 | 1585 | 850 | 380 | 1844 | 656 | 810 | 840 | 24-33 | 900 | 24-48 |
32″ | 800 | 190 | 640 | 1470 | 640 | 660 | 1700 | 1250 | 380 | 2040 | 656 | 810 | 950 | 28-33 | 1030 | 24-56 |
36″ | 900 | 203 | 710 | 1545 | 750 | 860 | 1965 | 1250 | 380 | 2255 | 785 | 863 | 1050 | 28-33 | 1140 | 28-56 |
40″ | 1000 | 216 | 770 | 1795 | 850 | 900 | 2015 | 1250 | 380 | 2380 | 785 | 863 | 1160 | 28-39 | - | - |
48″ | 1200 | 254 | 890 | 1965 | 850 | 900 | 2250 | 1250 | 380 | 2640 | 785 | 863 | 1380 | 32-39 | - | - |
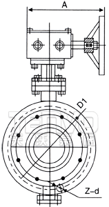
公稱通徑 DN |
結構長度 (標準值)L |
外形尺寸(參考值) | 連接尺寸(標準值) | ||||||||||||||
H | D343H | D643H | D943H | 10K | 20K | ||||||||||||
inch | mm | 短 | 長 | H1 | A1 | B1 | H2 | A2 | B2 | H3 | A3 | B3 | D1 | Z-d | D1 | Z-d | |
2″ | 50 | 108 | 150 | 112 | 350 | 180 | 200 | 605 | 245 | 72 | 530 | 250 | 255 | 155 | 4-19 | 120 | 8-19 |
2-1/2″ | 65 | 112 | 170 | 115 | 370 | 180 | 200 | 625 | 245 | 72 | 530 | 250 | 255 | 175 | 4-19 | 140 | 8-19 |
3″ | 80 | 114 | 180 | 120 | 380 | 180 | 200 | 645 | 245 | 72 | 565 | 250 | 255 | 185 | 8-19 | 160 | 8-23 |
4″ | 100 | 127 | 190 | 138 | 420 | 180 | 200 | 675 | 355 | 92 | 600 | 250 | 255 | 210 | 8-19 | 185 | 8-23 |
5″ | 125 | 140 | 200 | 164 | 460 | 180 | 200 | 715 | 355 | 92 | 640 | 250 | 255 | 250 | 8-23 | 225 | 8-25 |
6″ | 150 | 140 | 210 | 175 | 555 | 270 | 280 | 800 | 355 | 92 | 705 | 300 | 315 | 280 | 8-23 | 260 | 12-25 |
8″ | 200 | 152 | 230 | 208 | 605 | 270 | 280 | 850 | 250 | 170 | 775 | 300 | 315 | 330 | 12-23 | 305 | 12-25 |
10″ | 250 | 165 | 250 | 243 | 680 | 270 | 280 | 925 | 250 | 170 | 945 | 300 | 315 | 400 | 12-25 | 380 | 12-27 |
12″ | 300 | 178 | 270 | 283 | 800 | 380 | 420 | 1035 | 450 | 220 | 1070 | 300 | 315 | 445 | 16-25 | 430 | 16-27 |
14″ | 350 | 190 | 290 | 310 | 835 | 380 | 420 | 1070 | 450 | 220 | 1140 | 300 | 315 | 490 | 16-25 | 480 | 16-33 |
16″ | 400 | 216 | 310 | 340 | 915 | 450 | 470 | 1190 | 450 | 220 | 1210 | 300 | 315 | 560 | 16-27 | 540 | 16-33 |
18″ | 450 | 222 | 330 | 380 | 960 | 480 | 490 | 1250 | 650 | 280 | 1335 | 575 | 714 | 620 | 20-27 | 605 | 20-33 |
20″ | 500 | 229 | 350 | 410 | 1020 | 480 | 490 | 1290 | 650 | 280 | 1415 | 575 | 714 | 675 | 20-27 | 660 | 20-33 |
24″ | 600 | 267 | 390 | 470 | 1225 | 480 | 490 | 1455 | 850 | 380 | 1605 | 656 | 810 | 795 | 24-33 | 770 | 24-39 |
28″ | 700 | 292 | 430 | 550 | 1355 | 640 | 660 | 1585 | 850 | 380 | 1844 | 656 | 810 | 905 | 24-33 | 900 | 24-48 |
32″ | 800 | 318 | 470 | 640 | 1470 | 640 | 660 | 1700 | 1250 | 380 | 2040 | 656 | 810 | 1020 | 28-33 | 1030 | 24-56 |
36″ | 900 | 330 | 510 | 710 | 1545 | 750 | 860 | 1865 | 1250 | 380 | 2255 | 785 | 863 | 1120 | 28-33 | 1140 | 28-56 |
40″ | 1000 | 410 | 550 | 770 | 1795 | 850 | 900 | 2015 | 1500 | 580 | 2380 | 785 | 863 | 1235 | 28-39 | - | - |
48″ | 1200 | 470 | 630 | 890 | 1965 | 850 | 900 | 2226 | 1500 | 580 | 2640 | 785 | 863 | 1465 | 32-39 | - | - |